简述:
TX4113是一款完全集成的高效率2A同步整流降压转换驱动芯片。。。
TX4113可在宽输出电流负载范围内高效运行。。。。
该器件提供两种工作模式,, PWM控制和PFM模式切换控制,,,可在较宽的负载范围内实现高效率。。。
TX4113只需要很少数量的外围元件。。
并采用SOT23-6 小封装。。
典型应用:
封装:
输入电压 :4.5V - 16V
输出电压 :3.3V - 14V
输出电流 :2A
静态电流 :1uA
开关频率:600KHZ
内置:MOS
同步整流
封装:SOT-23-6
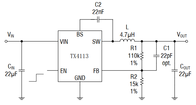
原理图:
参考PCBA:
计算公式:VFB=0.6V