TX4151是一款微型SOP-8封装、、、、高效率、、可调限流的40V 1.5A降压型DC-DC转换芯片。。

芯片内部包括误差放大器、、、、振荡器、、、电流比较器、、斜坡补偿、、电流采样、、、逻辑驱动等模块,,,

电流误差放大器的内部集成,,使得该芯片可以实现恒压恒流控制。。。

TX4151峰值电流模式的PWM控制环路以及补偿网络的外部可调,,使该芯片可在宽负载范围内提供稳定的输出电压。。

电流采样端的引出,,,通过设定采样电阻值,,,可以简单、、、精确地实现限流值的外部调节。。。。

TX4151导通电阻100mΩ的PMOS开关管的内部集成,,,提供了高的转换效率;内部3A的限流值以及短路 保护、、、过温保护。。。

避免了芯片在超负荷负载或者温度过热时受到损坏。。。

120KHz的高频率以及微型SOP-8封装,,,,最大限度的减小了整 体解决方案的占板面积。。

主要特点:
限流可调,,最高可达1.5A的输出电流能力
效率高达90%
+8V~+40V的输入工作电压范围
120KHz开关频率,,,,降低EMI的抖频技术
输出短路保护功能
输出电压导线电阻损耗补偿
过温保护
纤小型 SOP-8 封装

输入电压:+8V~+40V
输出电压:0.8~6.5V
输出电流:1.5A
静态电流:60uA
开关频率:120KHz
内置MOS:内置
封装形式:SOP-8

 

汽车应用领域
镍锰、、镍铬电池充电
可调限流的降压型DC-DC
可调电流源

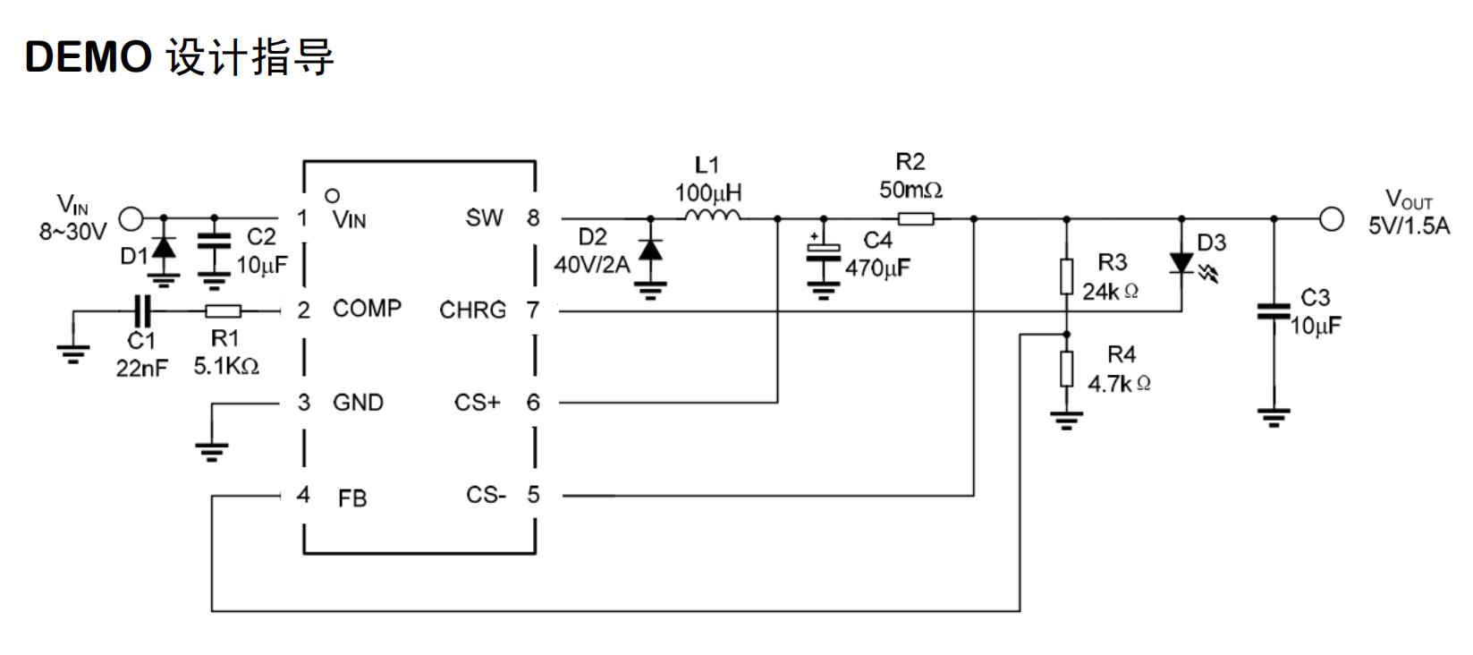
TX4151 DEMO 5V 输出、、、、1.5A 限流时应用电路图

TX4151脚位图

站点地图