TX4114是一款开关降压型DC-DC同步整流转换芯片
    芯片输入电压范围从 8V 到 30V,,,输出电流高达 2A。。。
    芯片采用同步整流架构提高了能量的转换效率,,开关频率可调从 150kHz - 500kHz。。
    芯片具有良好的带载能力和电压调节特性。。。
    内置 MOS  的快速瞬态响应提高了芯片的工作稳定性。。。。
    芯片需要少量的标准外部组件即可工作。。。。芯片具有可调的电流限制和智能过温保护功能。。
    芯片采用 SOP-8  封装。。

    TX4114 是一款开关降压型 DC-DC 同步整流转换芯片
    输入电压:8-30V
    输出电压:5 - 24V
    输出电流:2A
    工作频率:150-500KHz
    转换效率:93%
    过温保护
    输出短路保护
    产品封装:SOP-8

     

    TX4114 是一款开关降压型 DC-DC 同步整流转换芯片
    消费类电子产品
    线性调压器
    分布式电源
    POE电源
    安防设备等

     

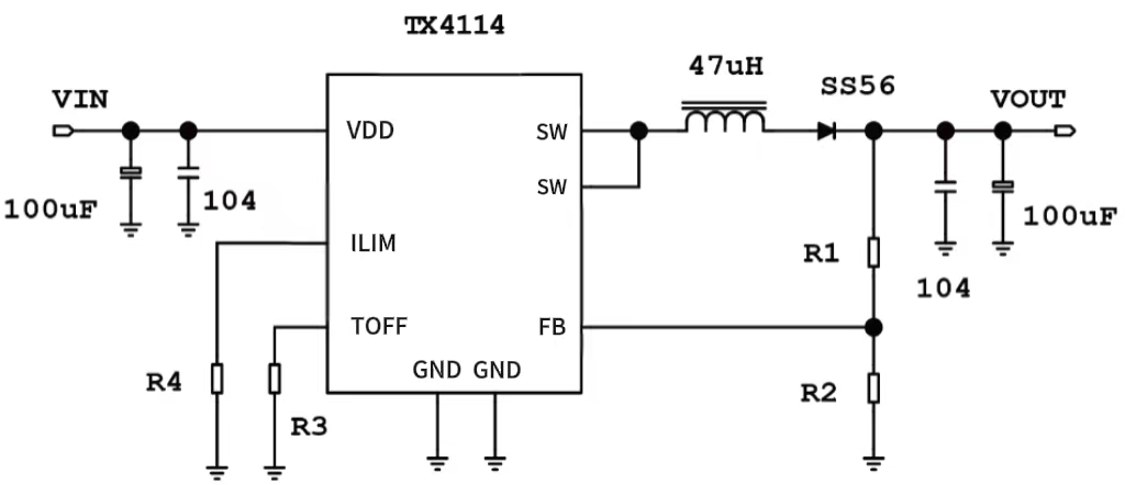
    TX4114 DEMO板原理图:



    TX4114 DEMO板 PCB图:



    TX4114 输出电压计算器:

    站点地图