TX4116是一款同步整流的DC - DC开关降压芯片
        TX4116  是一款高效率的开关降压型同步整流 DC - DC 转换器。。。。
    芯片内置了两个功率 MOS 管,,,上拉 36V/76mΩ,,下拉 36V/52mΩ。。。
    提供 3.1A  连续负载电流输出,,,宽输入电压:6.5V-36V。。。。
    输入电压保护值为 33V,,,用来保护在高电流,,,高输入工作的功率 MOS 管。。。
    峰值电流控制提供了快速的瞬态响应和逐周期电流限制。。具有电压线补偿功能,,,,电流可调控制。。。
    CC / CV 模式控制提供了稳定的恒流和恒压充电功能。。。。
    外部软启动时间可调。。。。输入欠压锁定、、、输出过压保护。。芯片采用 ESOP8封装。。。。
    TX4116 是一款同步整流的 DC - DC 开关降压芯片。。。。
    输入电压 :6.5 - 36V
    输出电压 :ADJ
    输出电流: 5V / 3A   12V / 2A
    线补电压:1.5V
    工作频率:固定100KHz
    控制模式:CC/CV
    产品封装:ESOP-8

     
    TX4116  同步整流开关降压型 DC-DC 降压 芯片。。。。
    网络系统
    医疗设备
    消费类电子产品
    通用充电器
    便携式充电设备

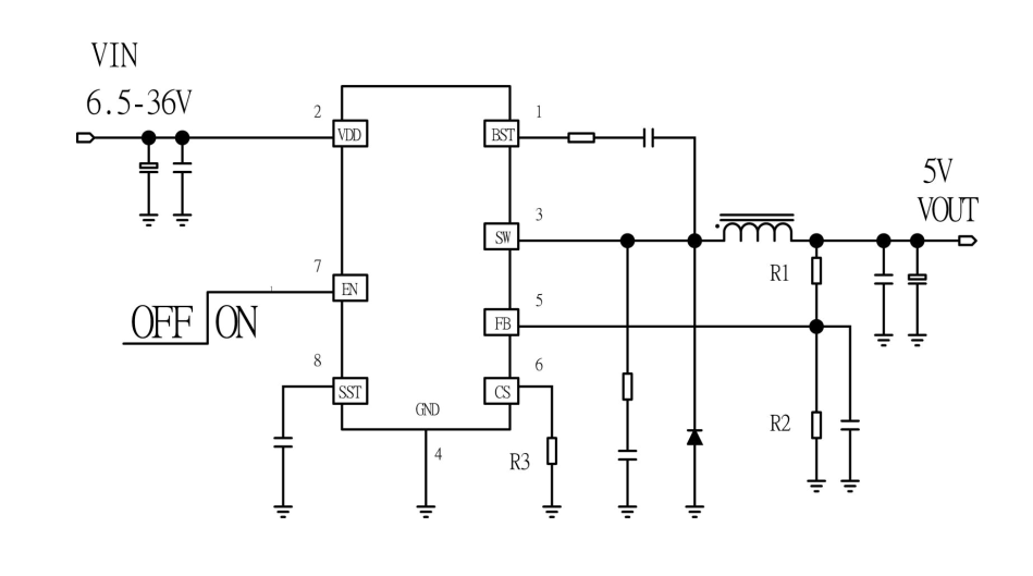
    TX4116 DEMO板 应用原理图:



    TX4116 DEMO板 PCB图:



    TX4116 输出计算器:



     

    站点地图