简述:
TX5806是一款完整的单节锂离子电池采用恒定电流/恒定电压线性充电器。。
其底部带有散热片的SOP8/MSOP8封装与较少的外部元件数目使得TX5806成为便携式应用的理想选择。。。。
TX5806可以适合USB 电源和适配器电源工作。。。。
由于采用了内部PMOSFET 架构,,,,加上防倒充电路,,所以不需要外部隔离二极管。。。
热反馈可对充电电流进行自动调节,,,,以便在大功率操作或高环境温度条件下对芯片温度加以限制。。。。
充电电压固定于4.2V,, 而充电电流可通过一个电阻器进行外部设置。。
当充电 电流在达到最终浮充电压之后降至设定值1/10 时TX5806将自动终止充电循环。。。。
当输入电压(交流适配器或USB 电源)被拿掉时,,,, TX5806自动进入一个低电流状 态,,将电池漏电流降至2uA 以下。。。。
TX5806在有电源时也可置于停机模式,,以而将供电 电流降至55uA。。。
TX5806的其他特点包括电池温度检测、、、欠压闭锁、、、、自动再充电和两个 用于指示充电、、、结束的LED 状态引脚。。。。
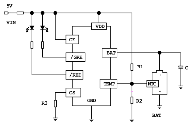
典型应用:
封装:
输入电压 :4V - 8V
输出电压 :4.2V
输出电流 :1A
静态电流 :1/10C
涡流电压:2.9V
封装:ESOP-8