TX4310 是一款低噪声、、、开关电容倍压器
它从 2.7V 至 5V 输入产生稳定的输出电压,,,输出电流高达 250mA。。

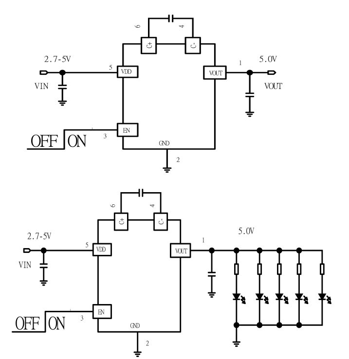
外部元件数量少( VIN 和 VOUT 有一个快速电容和两个小旁路电容)使得芯片非常适合电池供电的小型应用。。

新的电荷泵架构可保持恒定的开关频率以实现空载,,,并降低输出和输入波纹。。

芯片具有热关断功能,,可以承受从 VOUT 到 GND 的连续短路。。。

内置的软启动电路可防止启动过程中产生过多的浪涌电流。。

芯片采用 SOT23-6 脚封装。。。。

输入电压:3-5V
输出电压:5V
输出电流:250mA
工作频率:1.2MHz
转换效率:83%
芯片封装:SOT23-6

 

消费类电子产品
LED 驱动
电压调压器
线性调压器
充电器

TX4310 DEMO板 应用原理图:



TX4310 DEMO板 PCB图:

站点地图