基于尊龙时凯LED驱动芯片TX6211设计的LED升压恒流DEMO说明

来源:尊龙时凯 时间:2022-05-27

基于尊龙时凯LED驱动芯片TX6211设计的LED升压恒流DEMO说明

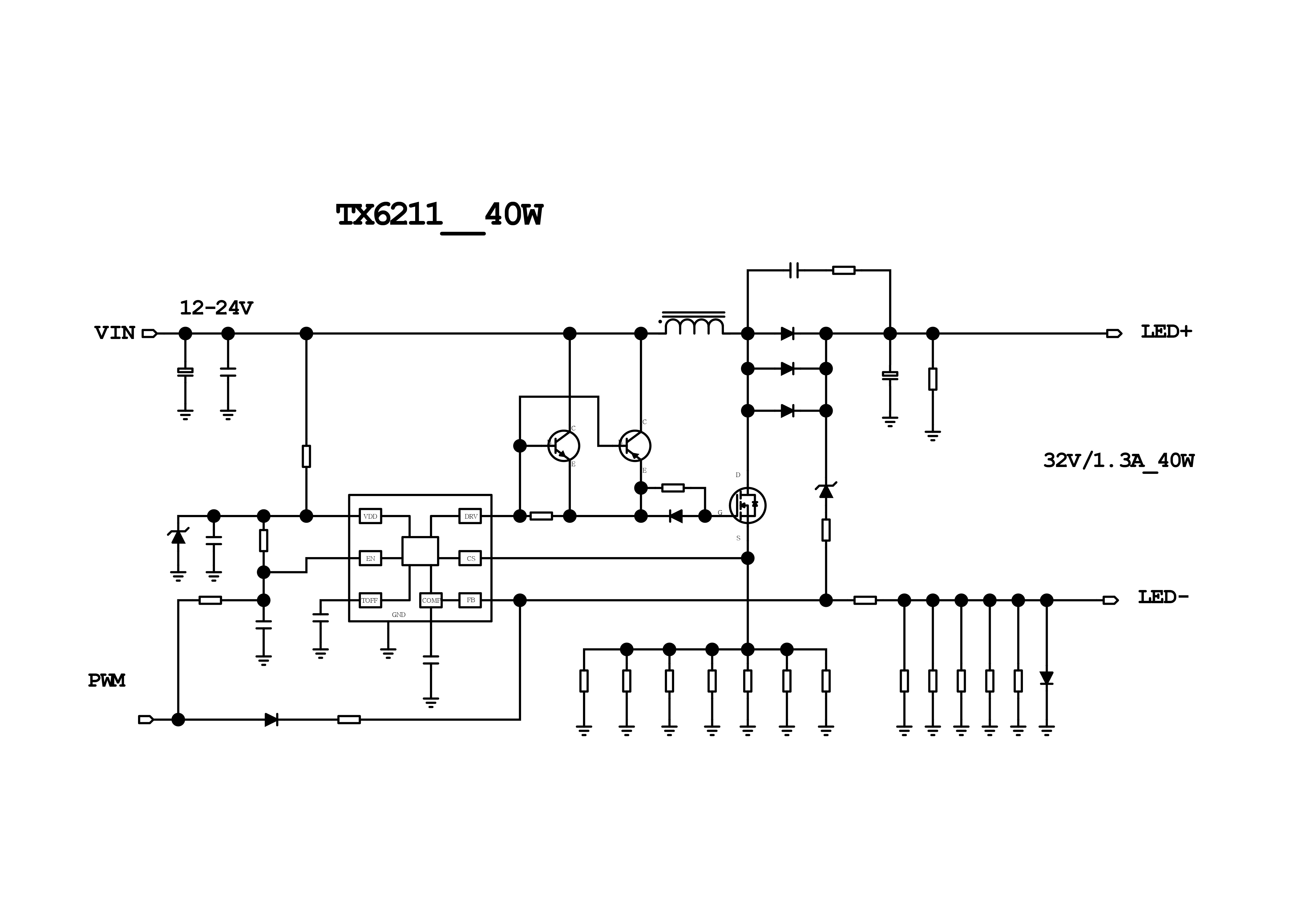
LED驱动芯片TX6211原理图

LED驱动芯片TX6211原理图

 

LED驱动芯片TX6211电路板

LED驱动芯片TX6211电路板

 

LED驱动芯片TX6211 DEMO 实测

LED驱动芯片TX6211 DEMO 实测

 

TX6211 DEMO 板实测数据和转换效率参考

TX6211 DEMO 板实测数据和转换效率参考

基本描述:
本 DEMO 为 LED驱动芯片TX6211 制作的演示板,,,用于 DC 输入 12-24V,,,,输出电压32V,,,输出恒流 1.33A 的应用演示,,,最高转换效率高达 97%。。。。
本电路固定工作频率是:53.76-211.9 KHz。。。输出 32V/1.33A ,,输出电流可调。。

站点地图